DS2030迷你型計數傳感器
+ 查看更多
★★★★★
分享到:
咨詢電話:0592-6773016
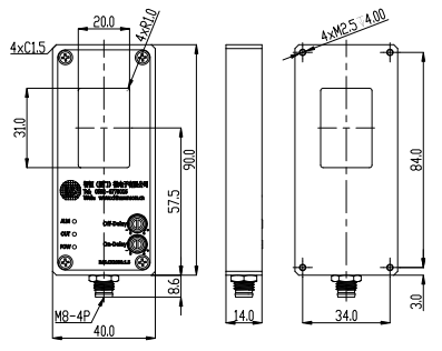
IMS-DS2030框型數粒傳感器,Ф1.5mm精度,材質不限,自動補光,On-delay、off-delay時間可調,抗粉塵,當傳感器表面粉塵達到一定程度或沒有在最佳光強狀態下工作會自動報警且仍可正常工作,適用于微小顆粒、種子、小墊圈計數,接受非標設計。
選型時請注意:檢測區域要足夠大以確保在此區域的落料不發生碰撞或重疊
1、金屬、非金屬材質通用,對2個物體的下落間隔要求低
2、顆粒、薄片、不規則體通用
3、1ms快速響應,on-delay/off-delay可調節
4、自動補光,粉塵警報
5、可拼接多通道滿足大規模計數需求
6、牢固的金屬結構
產品型號 |
DS2030-1.5 |
感應區域 |
20*31mm |
檢測精度 |
φ1.5mm |
電源 |
DC10~30VDC(包括電壓波動(p-p)10%以下) |
響應時間 |
1ms |
參數調節 |
On-delay:0~6ms,Off-delay:0~20ms |
動作指示 |
電源燈(綠色),動作燈(紅色),警報(黃色) |
消耗電流
|
30mA Max(不包括負載) |
負載電流 |
100mA Max |
輸出類型 |
NPN/PNP |
回路保護 |
啟動延時,電源反接保護、自恢復輸出短路保護、輸出反接保護 |
| 環境照度 | 太陽光:50,000lx;白熾燈:5,000lx |
| 環境溫度 | 動作時:-20~+65℃,保存時:-30~+80℃(不結冰不結露) |
| 環境濕度 | 動作時:45~85%RH,保存時:35~95%RH(不結露) |
| 防護等級 | IEC IP50 |
| 連接方式 | M8配線,4芯 |
| 線色定義 | 電源:棕,地:藍,動作輸出:黑,警報輸出:白 |
| 材質 | 外殼鋁,黑色陽極 |
| 附件 | 調節螺絲刀 |
| 質量 | 約75g |
DS2030

配線(兩種規格隨機發貨)


NPN輸出

PNP輸出



